Bostitch Stanley SB1664FN 16 Ga Straight Finish Nailer Kit "1 2 1/2

Bostitch Sb 1664fn Owners Manual. Bostitch SB1664FN 16Gauge Pneumatic Straight Finish Nailer eBay PAGE 1 FINISH TOOLS HERRAMIENTAS DE ACABADO OUTILS DE FINITION SB-150SX SB-150SXHD SB-1664FN SB-2IN1 SB-1842BN SB-1850BN OPERATION and MAINTENANCE MANUAL MANUAL DE OPERACIÓN Y DE MANTENIMIENTO MANUEL D'INSTRUCTIONS ET D'ENTRETIEN BEFORE OPERATING THIS TOOL, ALL OPERATORS SHOULD STUDY THIS MANUAL TO UNDERSTAND AND FOLLOW THE SAFETY WARNINGS AND INSTRUCTIONS View and download Bostitch sb-1664fn manuals for free

BOSTITCH SB1664FN Pneumatic Air 16ga Finish Nailer W/ Nails Etsy
BOSTITCH SB1664FN Pneumatic Air 16ga Finish Nailer W/ Nails Etsy from www.etsy.com

Addeddate 2021-05-05 05:47:53 Identifier manualzz-id-1352959 Identifier-ark ark:/13960/t6wx88f9b Ocr tesseract 5..-alpha-20201231-10-g1236 Ocr_autonomous true Ocr_detected_lang es Ocr_detected_lang_conf 1.0000 Ocr_detected_script Latin Cyrillic Ocr_detected_script_conf 0.9847 0.0153 Ocr_module_version 0.0.13 Ocr_parameters -l fra+spa+que+eng+lat+kir+Cyrillic+Latin Ppi 300 INTRODUCTION The Bostitch SB Series are precision-built tools, designed for high speed, high volume nailing and stapling

BOSTITCH SB1664FN Pneumatic Air 16ga Finish Nailer W/ Nails Etsy

View online or download Bostitch SB-1664FN Original Instructions Manual, Operation And Maintenance Manual INTRODUCTION The Bostitch SB Series are precision-built tools, designed for high speed, high volume nailing and stapling Addeddate 2021-05-05 05:47:53 Identifier manualzz-id-1352959 Identifier-ark ark:/13960/t6wx88f9b Ocr tesseract 5..-alpha-20201231-10-g1236 Ocr_autonomous true Ocr_detected_lang es Ocr_detected_lang_conf 1.0000 Ocr_detected_script Latin Cyrillic Ocr_detected_script_conf 0.9847 0.0153 Ocr_module_version 0.0.13 Ocr_parameters -l fra+spa+que+eng+lat+kir+Cyrillic+Latin Ppi 300

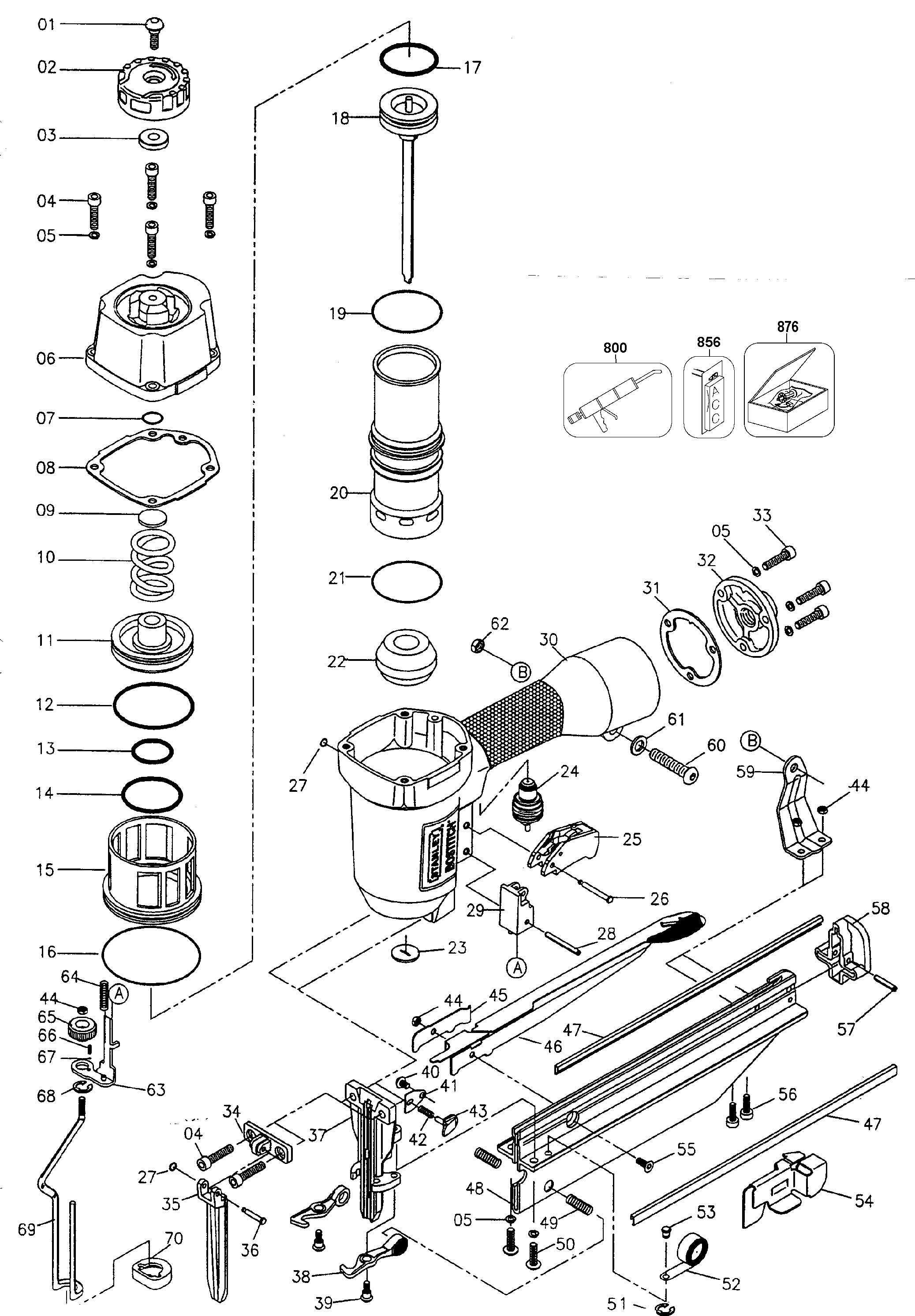
BOSTITCH SB1664FN 16 Gauge Straight Finish Nailer User Manual. It shows you how to load nails, use the safety feature and also adjust the pre. ServiceNet Offers: Easily order replacement parts Track orders from the time your order is submitted until it is delivered to your desired location View, print, and email an extensive listing of tool schematics and manuals Locate one of our 80+ Factory Owned Service Center or 1800+ Authorized Service Centers Available 24 hours a day, 7 days a week, 365 days a year!

Bostitch SB1664FN 16Gauge Pneumatic Straight SB16 Series Tested. View online or download Bostitch SB-1664FN Original Instructions Manual, Operation And Maintenance Manual View and download Bostitch sb-1664fn manuals for free